I Mats Garage


Ja då var jag hemma hos Mats och jag hade ju lovat att hjälpa honom med elen som jag har dragit själv, spännande. Det var ett himla mätande och kollande att strömen hamnade på rätt ställe.


Vad lycklig jag blev när alla lampor fram lyste


och ännu lyckligare när lamporna bak lyste och blinkers och bromsljus fungerade.


Jaha då var det Instrumentbrädan och få allt att lira med kablar till motor Instrument och
innerbelysning, kontrollampor till hel ljus, blinkers, handbroms etc.

Mycket mek blev det!


Men skam den som ger sig.


Ja,ja det är regulatorn som gör att tändspolen får rätt spänning, vi dividerade om den verkligen behövdes eftersom bilen numera hade elektronisk tändning, Mats vann så nu sitter den där.


Sista kopplingen till innerbelysningen.


Kolla Den Funkar!!!

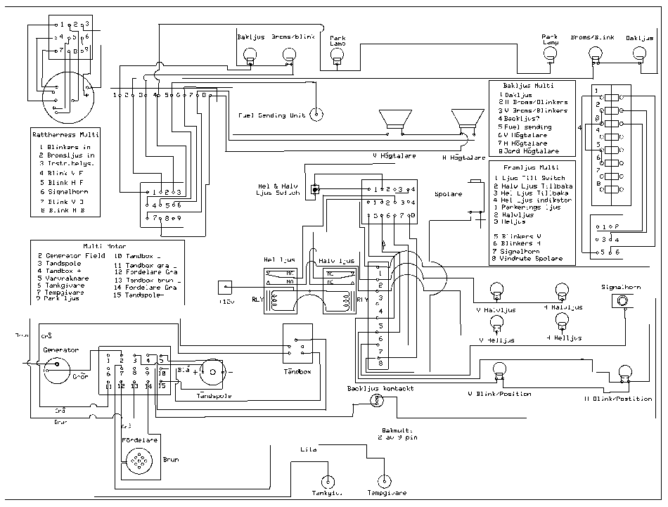
Mats hittade ett program där vi kunde gör scheman över eldragningen


Ganska snygga blev dom och nu börjar Mats förstå vad jag har gjort.


Torkarmotorn var inte lätt att förstå hur den funkade men till slut så fick jag till det.